top of page

Create Your First Project

Start adding your projects to your portfolio. Click on "Manage Projects" to get started

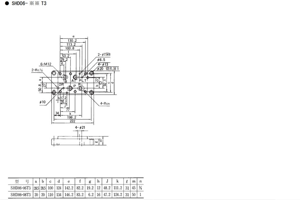
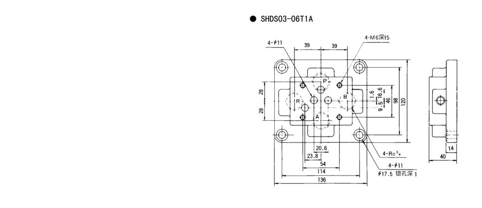
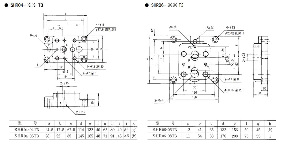
Base Plate

Base Plate

SHD, SHR, SHG, SHQ

Chien Fung Oil Pressure Co., Ltd.

4F, No. 176-3, Zhongshan 2nd Road, Luzhou District, New Taipei City

02-2983-0320

bottom of page