top of page

Create Your First Project

Start adding your projects to your portfolio. Click on "Manage Projects" to get started

EHD3 用控制放大器 ECAD-D2

EHD3 用控制放大器

ECAD-D2
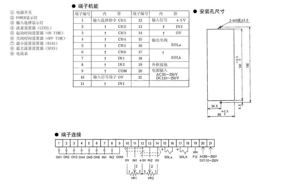
1. ECAD-D2 放大器內部有三個壓力設定裝置,可對最多三個通道進行多級控制。
2、各通道切換時間可獨立設定。
3.當一台控制閥需進行多種流量設定時,可不需外部設定裝置,進行多級設定及衝擊消除。

​建豐油壓股份有限公司

新北市蘆洲區中山二路176-3號4樓

​02-2983-0320

bottom of page