top of page

Create Your First Project

Start adding your projects to your portfolio. Click on "Manage Projects" to get started

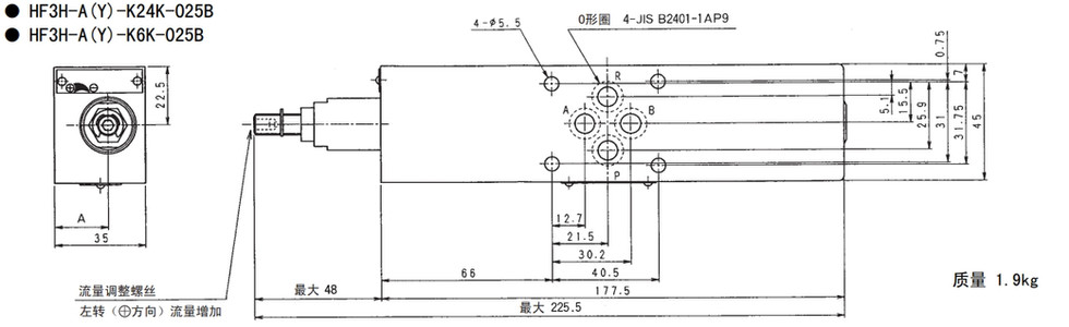
帶壓力溫度補償流量調整閥 HF3H-**-K

帶壓力溫度補償流量調整閥

HF3H-PK、HF3H-AK、HF3H-AY-K、HF3H-BK、HF3H-BY-K、HF3H-WK、HF3H-WY-K

​建豐油壓股份有限公司

新北市蘆洲區中山二路176-3號4樓

​02-2983-0320

bottom of page