top of page

Create Your First Project

Start adding your projects to your portfolio. Click on "Manage Projects" to get started

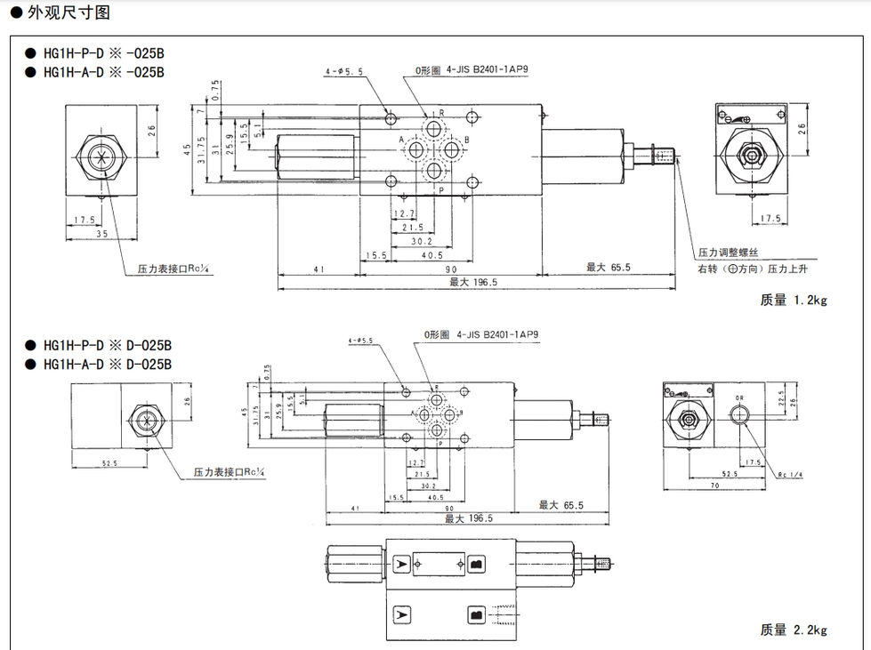
低圧用減圧弁 HG1H

低圧用減圧弁

HG1H

建豊油圧有限公司

新北市蘆州区中山二路176-3号4階

02-2983-0320

bottom of page